Skip to main content
/

Site Navigation

Your Account

Choose Language

Introduction

Parts

No parts specified.

  1. Lay the spacer tube on top of the press plate, align the sides and make the back edge flush. Insure all edges are tight and squared; this piece is critical, it must be a uniform height throughout the entire item. Grind off any imperfections.
    • Lay the spacer tube on top of the press plate, align the sides and make the back edge flush.

    • Insure all edges are tight and squared; this piece is critical, it must be a uniform height throughout the entire item. Grind off any imperfections.

    • Tack weld the two together in many places (at least 3 on each seam).

    • Double check everything for squareness!!

    • Weld the two together on all edges where they touch

    • It is a good idea to weld in 1” or 2” increments, skipping around to different places to prevent warpage. You will need to weld multiple layers where the tubing is rounded.

  2. Place the vertical support and tack it in multiple places Weld the vertical support to the press plate and spacer tube assembly.
    • Place the vertical support and tack it in multiple places

    • Weld the vertical support to the press plate and spacer tube assembly.

    • Grind down the welds on the open end of the tube so they are flush with the rest of the tube

  3. Lay the spacer/press plate assembly down so the press plate is touching the table. Align side pieces with spacer and press plate assembly. Insure the two are square vertically and horizontally with the spacer, that they are parallel, and that everything is touching the table.
    • Lay the spacer/press plate assembly down so the press plate is touching the table.

    • Align side pieces with spacer and press plate assembly.

    • Insure the two are square vertically and horizontally with the spacer, that they are parallel, and that everything is touching the table.

    • It helps to use angle iron tacked to your table and the sides, so it insures they are vertically square. This also makes it a bit easier to align everything else. Video Help

    • Also, it may help to use paper shims (see between the sides and the tube to properly space them. Video Help

    • Tack the sides to the tube on all sides in multiple places except where it is touching the table. Add a few 1" seams to prohibit them from moving.

    • Do a few light tacks first, and double check it's still square. If not, grind off the tacks and start over.

  4. Tack the back piece in a few spots, with a 1" seam on each side. Tack the back piece in a few spots, with a 1" seam on each side.
    • Tack the back piece in a few spots, with a 1" seam on each side.

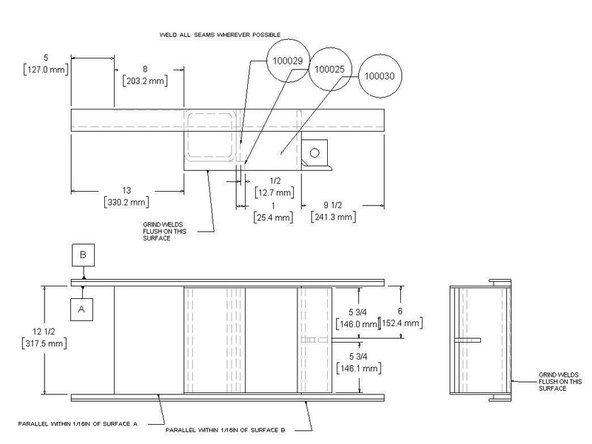
  5. Grind off the welds for the back and side pieces so that the entire drawer is flush. Flip the drawer over and tack the sides from the top. Place the roof and inner rails in their respective places. See Diagram.
    • Grind off the welds for the back and side pieces so that the entire drawer is flush.

    • Flip the drawer over and tack the sides from the top.

    • Place the roof and inner rails in their respective places. See Diagram.

    • Insure inner rails are perfectly parallel (varying no more than a 16th of an inch) and square throughout the entire length.

    • Tack them in multiple places except where they are touching the table.

  6. Insure they are perfectly parallel; otherwise they will leave the roller guides. Insure they vary no more than 1/16" over the entire length. Hint: Use paper shims for this
    • Insure they are perfectly parallel; otherwise they will leave the roller guides. Insure they vary no more than 1/16" over the entire length.

    • Hint: Use paper shims for this

  7. All the seams should be completely welded except the difficult to reach places between the inner and outer rails, those can be welded about 50%. Weld short lengths at a time and jump around a lot to minimize warping.
    • All the seams should be completely welded except the difficult to reach places between the inner and outer rails, those can be welded about 50%.

    • Weld short lengths at a time and jump around a lot to minimize warping.

    • You may want to grind off the welds in between passes around the drawer to allow it to cool.

    • There cannot be any outstanding bumps or welds anywhere; the drawer will be sliding in and out of a tight spot and bumps will catch on the frame crossmembers.

    • Make sure there's no welding spatter where the rollers will be rolling. Grind any off with a small grinder

  8. The rails likely got warped outwards on the side with the back while you were welding.
    • The rails likely got warped outwards on the side with the back while you were welding.

    • If they are not still parallel, you will need to pinch them inwards so that they are. You can do so using two C-Clamps.

  9. Prepare as shown in the diagram
    • Prepare as shown in the diagram

    • Weld it to the back of the drawer, insuring it is square and centered

Finish Line

Dozuki System

Member since: 09/24/2009

1 Reputation

34 Guides authored

0 Comments

Add Comment

View Statistics:

Past 24 Hours: 1

Past 7 Days: 2

Past 30 Days: 4

All Time: 490