Skip to main content
/

Site Navigation

Your Account

Choose Language

Help
Editing Step 3 —

Step Type:

Drag to rearrange

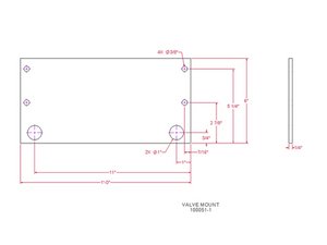
Punch all holes, or drill if necessary.